Wunderschöne Stern Dreieck Schaltung Bild

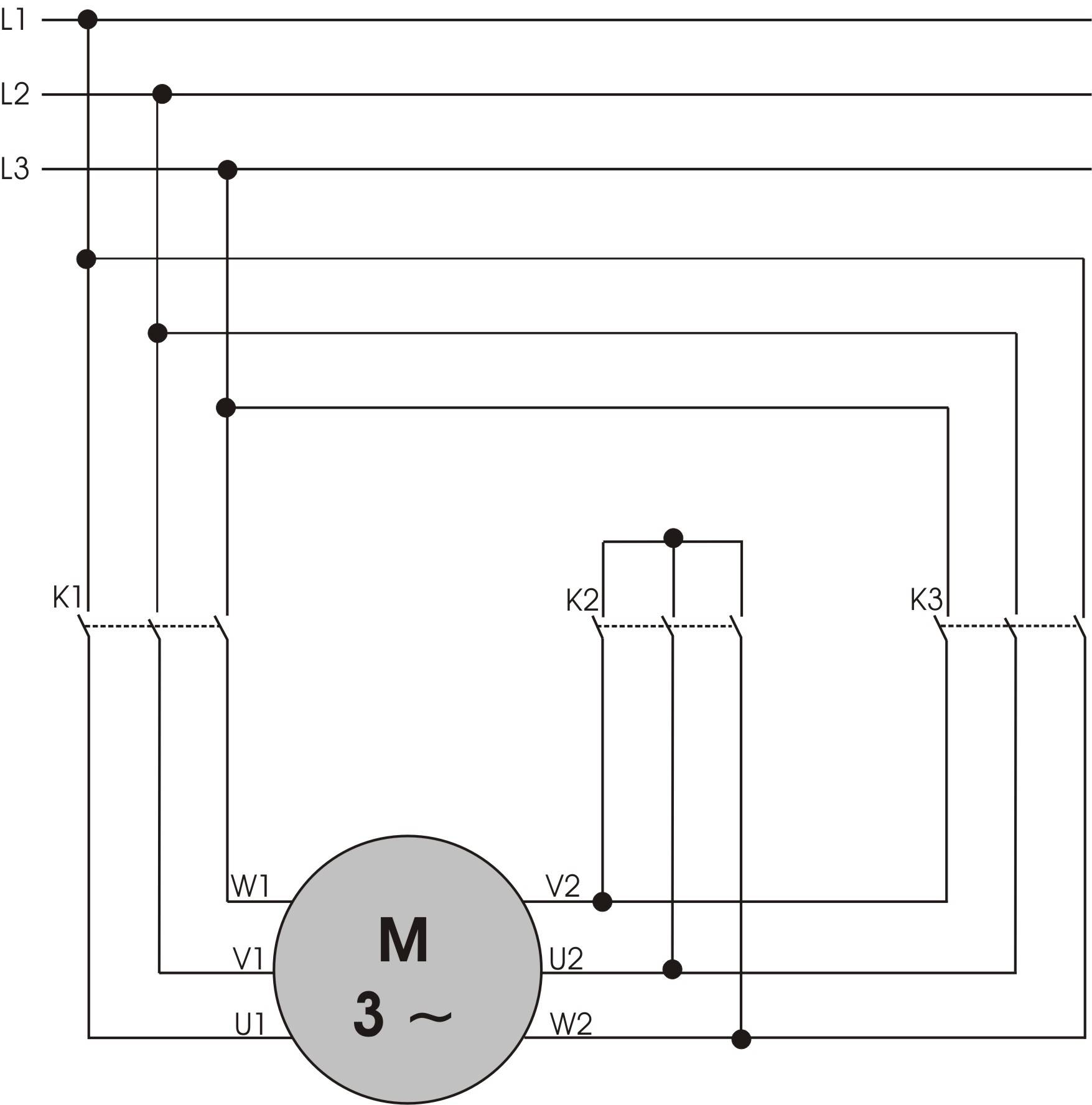
Wunderschöne Stern Dreieck Schaltung Bild. In der regel besitzen drehstrommotoren ein klemmbrett, an dem die anschlüsse u1, u2, v1, v2, w1 und w2 seiner spulen zugängig sind. Über den öffner von 7k2 und 7k4 zieht das sternschütz 7k3 an.

Stern-Dreieck-Schalter online auf Conrad.at kaufen
Stern-Dreieck-Schalter online auf Conrad.at kaufen from asset.conrad.com
Über den öffner von 7k2 und 7k4 zieht das sternschütz 7k3 an. Hierdurch ist die wicklung für die spannung 690 v geschaltet, es liegen am motor aber nur 400 v an. 45,94 € 45,94 € kostenlose lieferung.

Mein nachbar ist elektriker und er meinte:

Voraussetzung hierfür ist das vorhandensein von elektrisch leitenden materialien. Hier ist q1 = netzschütz, q2. 4 schütze, 3 taster, 1 motor. Bei der dreieckschaltung ist der einschaltstrom ca.